EV Precharge Circuitry Schematic

November 17, 2025

Description and Purpose

Hierarchal view of Precharge Circuitry

The Precharge Circuit is designed to open a higher resistance current path that slowly charges ("precharges") the high-voltage DC bus capacitors in the inverter/drive unit before the main high-current contactors close.

Without precharge, closing the main contactors would cause a huge inrush current. All modern high-voltage EVs have some form of precharge or inrush limiting.

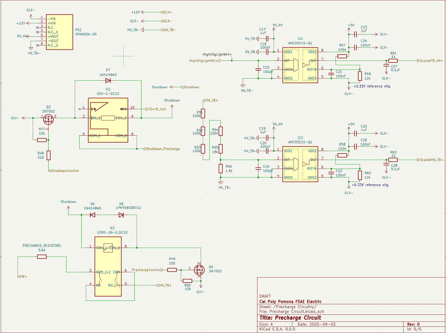
Design

The precharge circuit is designed to integrate within the Master BMS board. It revolves around tapping the high voltage signals from the tractive battery and inverter through voltage dividers and sending that scaled voltage across a HV/LV isolation gap by utilizing isolated amplifiers over conformal coat. These scaled voltages are then sent to a Teensy4.1 MCU on the Master BMS board for analysis.

Schematic view of Precharge Circuitry

The Teensy4.1 MCU then controls a set of relays to control the precharge sequence. Before the precharge sequence is complete, current from the HV battery to the inverter is sent through a current limiting resistor. When the Teensy4.1 MCU determines the precharge sequence to be complete, it controls a relay to close the main Shutdown circuit and opens the relay for the precharge current, thus allowing current to flow through the main contactors.