Custom Battery Management System (Master Board)

January 1, 2026

Description and Purpose

The Master BMS is a custom board designed to replace an off-the-shelf battery management system, such as our 2025 vehicle's Orion BMS. It works in tandem with a Distributed BMS board which directly collects cell data and communicates with a Teensy4.1 microcontroller on the Master BMS via ISOSPI.

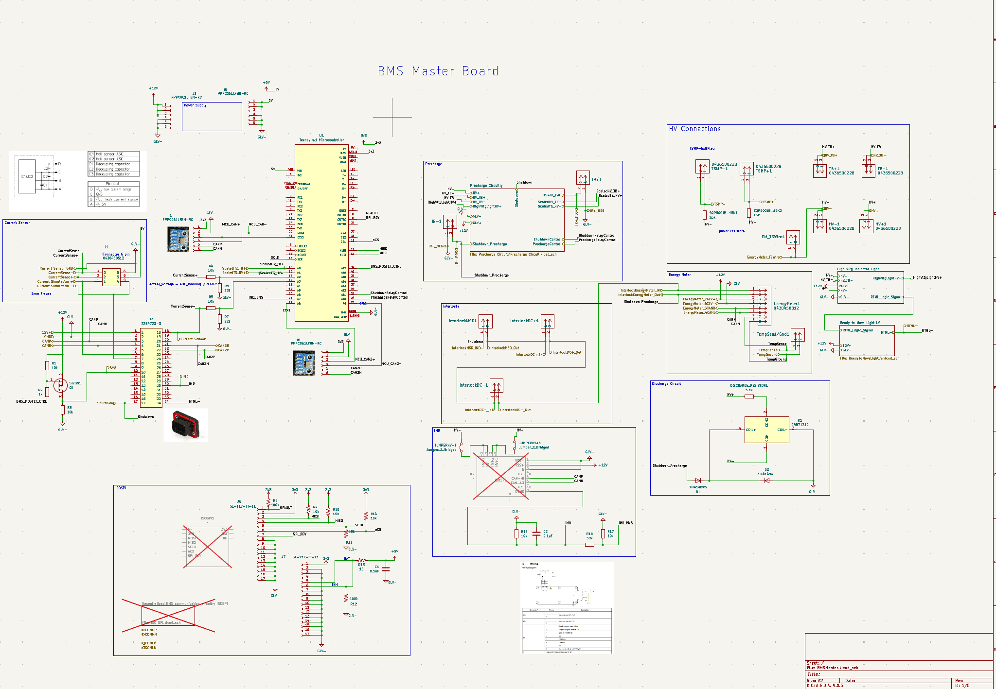
Schematic Overview of the Master BMS

Design Elements

The Master BMS is a multipurpose board to promote simplicity and dramatically reduce the number of PCBs and floating wires on the vehicle.

The Master BMS's relationship to the Distributed BMS (or Cell Monitor board) is described as follows:

  • Distributed cell monitors collect data and passively balance parallel cell banks
  • Critical HV components and fault monitoring systems are on the Master BMS board
  • Master BMS handles energizing and shutdown of tractive system

The Master BMS contains the following core elements:

  • Precharge circuitry
  • Discharge circuitry
  • ISOSPI communication
  • VCU (Vehicle Control Unit) communication
  • Integration within a broader shutdown circuit
    • Includes signals to the main interlocks
  • Energy meter communication (For rules compliance)
  • Tractive System Monitoring Points (For rules compliance)
  • High voltage indicator light circuitry
  • Ready to move light circuitry
  • IMD (Insulation Monitoring Device) communication

Communication throughout the Master BMS is handled via a main CAN bus, a secondary CAN bus (in use when charging the tractive battery), and SPI.

Due to the high and low voltage nature of this board, it features galvanic isolation between low and high voltage circuitry, as well as proper creepage and clearances for high voltage signals and components.

PCB View of the Master BMS Board Schematic Overview of the Master BMS

The Master BMS board measures at 180mm x 220mm and is designed to be mounted within our Tractive Battery penthouse.